GALEX Δημοσιεύτηκε Νοέμβριος 28, 2017 Δημοσιεύτηκε Νοέμβριος 28, 2017 Αποφάσισα εδώ και λίγο καιρό και κατασκεύασα μία time lapse slider, βασιζόμενος σε διάφορες ιδέες που είδα στο διαδίκτυο. Τα υλικά που χρησιμοποίησα είναι :1. Ράβδος αλουμινίου τετράγωνη 1200Χ20 χιλ. (το σώμα της κατασκευής ).2. 2 λάμες αλουμινίου 350χ50Χ4 (στηρίγματα στα δύο άκρα για τα ρυθμιζόμενα ποδαράκια). Γιώργος Αλεξίου
GALEX Δημοσιεύτηκε Νοέμβριος 28, 2017 Συγγραφέας Δημοσιεύτηκε Νοέμβριος 28, 2017 3. Πλάκα αλουμινίου 150Χ150Χ5χιλ. για την κατασκευή της βάσης στήριξης της μηχανής, πάνω στην οποία στερεώνονται ροδάκια (Για όλα τα υλικά αλουμινίου περίπου κόστος 20,00€). Γιώργος Αλεξίου
GALEX Δημοσιεύτηκε Νοέμβριος 28, 2017 Συγγραφέας Δημοσιεύτηκε Νοέμβριος 28, 2017 4. Ντίζα 7 χιλ. με ελαστικούς πάτους : 4,00€ (για τα ρυθμιζόμενα ποδαράκια).5. Ταινία χρονισμού XL 3έτρα. (3X2,50€ - ebay).6. Σωλήνας M11,5xΠ19,5mm με ύψος 1m τεμ.2,LEROY MERLIN Κωδ: 60017524 (2X5,80€) – για την κατασκευή των διαδρόμων πάνω στους οποίους κυλάει ο φορέας της φωτ. μηχανής.7. Γρανάζι – ατέρμονας από μηχανισμό υαλοκαθαριστήρων (10€ από παλιατζήδικο).8. Ρουλεμάν pillow block τεμ. 4 (4X1,6€ από ebay).9. Ροδάκια (Grooved Plastic-Coated Ball Bearing) : 3,72€ - ebay.10. Ρουλεμάν «μάτι» 10χιλ. 1χ1,6€ (ebay).11. Γρανάζι πλαστικό 40 δοντιών 5,00€ (ebay) Γιώργος Αλεξίου
GALEX Δημοσιεύτηκε Νοέμβριος 28, 2017 Συγγραφέας Δημοσιεύτηκε Νοέμβριος 28, 2017 12. Βίδα 1/4 inch (Dual Nut Tripod Mount Screw To Flash Camera Shoe Adapter) : 0,64€ (ebay).13. Tripod Ball head : 4,00€ (ebay)14. 2,5 χιλ.mini blug (jack-plug socket -τα βυσματάκια για τη σύνδεση του intervalometer με την κάμερα και με τον ελεγκτή του μοτέρ – 2Χ1,00€).15. Stepper motor και ελεγκτής για έλεγχο ταχύτητας που είχα κατασκευάσει παλιότερα. Γιώργος Αλεξίου
GALEX Δημοσιεύτηκε Νοέμβριος 28, 2017 Συγγραφέας Δημοσιεύτηκε Νοέμβριος 28, 2017 Μπορεί να χρησιμοποιηθεί και μοτέρ συνεχούς ρεύματος αντί για stepper motor, και ένα έτοιμο κύκλωμα ελέγχου ταχύτητας, για περισσότερη απλότητα. Εγώ χρησιμοποίησα ένα stepper motor και ένα κύκλωμα ελέγχου που είχα φτιάξει παλιότερα, το οποίο όμως είναι τόσο πολύπλοκο που δεν θα το επιχειρούσα ξανά, από τη στιγμή που μπορείς να βρεις κάτι έτοιμο και πάμφθηνο στο ebay. Ο ελεγκτής έχει τη δυνατότητα να αλλάζει τη φορά περιστροφής του μοτέρ και να αυξομειώνει την ταχύτητα με ένα ροοστάτη. Γιώργος Αλεξίου
GALEX Δημοσιεύτηκε Νοέμβριος 28, 2017 Συγγραφέας Δημοσιεύτηκε Νοέμβριος 28, 2017 Αυτό που με παίδεψε ήταν η τοποθέτηση των τροχών στην πλάκα αλουμινίου, καθώς έπρεπε οι αποστάσεις να είναι συγκεκριμένες για να κινούνται πάνω στις «ράγες» ούτε πολύ σφιχτά, αλλά ούτε και χαλαρά και να έχουν τζόγο κατά την κίνηση. Για να το πετύχω αυτό έκανα στην πλάκα λίγο μεγαλύτερες τρύπες από τις βίδες που πέρασα από τα ροδάκια, ώστε να μπορώ να παίξω λίγο με τη θέση τους δεξιά – αριστερά.Επίσης προσοχή χρειάζεται με την τοποθέτηση των δύο ράβδων που παίζουν το ρόλο της ράγας, καθώς πρέπει να είναι όσο το δυνατόν παράλληλες. Σε διαφορετική περίπτωση ο μηχανισμός ή θα σφίγγει κατά την κίνησή του ή θα έχει τζόγο. Αρχικά τις κόλλησα πάνω στη ράβδο, έκανα δοκιμή να βεβαιωθώ ότι η κίνηση του μηχανισμού είναι εντάξει και στο τέλος τις πριτσίνωσα. Γιώργος Αλεξίου
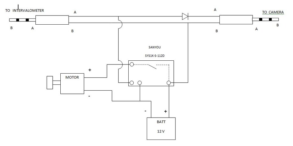
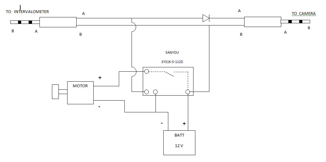
GALEX Δημοσιεύτηκε Νοέμβριος 28, 2017 Συγγραφέας Δημοσιεύτηκε Νοέμβριος 28, 2017 Ήθελα, όταν η κάμερα φωτογραφίζει, το μοτέρ να σταματάει. Για να δουλεύει με αυτόματο τρόπο χρησιμοποίησα το intervalometer στο οποίο ρυθμίζω την ακολουθία των λήψεων που θα πάρω. Έτσι όταν δίνει «εντολή» στην κάμερα να κρατάει το διάφραγμα ανοιχτό (λειτουργία bulb) πρέπει να δίνει εντολή στο μοτέρ να σταματάει την κίνηση. Αυτό ουσιαστικά γίνεται κόβοντας την τάση τροφοδοσίας στο κύκλωμα ελέγχου του μοτέρ. Για να καταλάβουμε πως μπορεί να γίνει αυτό πρέπει να δούμε πώς λειτουργεί το intervalometer. Ουσιαστικά η λειτουργία του συνίσταται στο άνοιγμα και κλείσιμο των δύο επαφών (SHUTTER και COMMON) , όπως δείχνει η παρακάτω εικόνα. Όταν βραχυκυκλώνει ο ακροδέκτης “SHUTTER” με τον “COMMON” τότε η κάμερα φωτογραφίζει. Εκείνη τη στιγμή πρέπει να δίνουμε το αντίθετο σήμα προς τον ελεγκτή μοτέρ (ουσιαστικά του κόβουμε το ρεύμα και η κίνηση να σταματάει). Όταν οι δύο επαφές ανοίγουν η κάμερα σταματάει να φωτογραφίζει, ενώ δίνει ρεύμα στον ελεγκτή και ξαναρχίζει η κίνηση (για όσο διάστημα θα διαρκέσει το «κενό» μεταξύ των λήψεων). Γιώργος Αλεξίου
GALEX Δημοσιεύτηκε Νοέμβριος 28, 2017 Συγγραφέας Δημοσιεύτηκε Νοέμβριος 28, 2017 Η ιδέα για τη χρησιμοποίηση του intervalometer ως εργαλείου ελέγχου του μοτέρ βασίστηκε εδώ : https://www.diyphotography.net/how-to-convert-a-time-lapse-intervalometer-to-a-slider-controller/ Το διάγραμμα των συνδέσεων είναι αυτό : Γιώργος Αλεξίου
GALEX Δημοσιεύτηκε Νοέμβριος 28, 2017 Συγγραφέας Δημοσιεύτηκε Νοέμβριος 28, 2017 ρελέ χρησιμοποίησα το SANYOU SYS1K-S-112D που λειτουργεί με 12Volt (1,00€ περίπου). Γιώργος Αλεξίου
santono Δημοσιεύτηκε Νοέμβριος 29, 2017 Δημοσιεύτηκε Νοέμβριος 29, 2017 Μπράβο για την υλοποίηση και την αναλυτική παρουσίαση. Επίσης όποτε μπορέσεις θα ήθελα να δω ένα δοκιμαστικό timelapse. # Σπύρος Αντωνόπουλος #
GALEX Δημοσιεύτηκε Νοέμβριος 29, 2017 Συγγραφέας Δημοσιεύτηκε Νοέμβριος 29, 2017 Ευχαριστώ. Εννοείται, όταν το δοκιμάσω θα το ανεβάσω. Γιώργος Αλεξίου
Προτεινόμενες αναρτήσεις
Δημιουργήστε έναν λογαριασμό ή συνδεθείτε για να σχολιάσετε
Πρέπει να είσαι μέλος για να αφήσεις ένα σχόλιο
Δημιουργία λογαριασμού
Εγγραφείτε για έναν νέο λογαριασμό στην κοινότητά μας. Είναι εύκολο!.
Εγγραφή νέου λογαριασμούΣυνδεθείτε
Έχετε ήδη λογαριασμό? Συνδεθείτε εδώ.
Συνδεθείτε τώρα